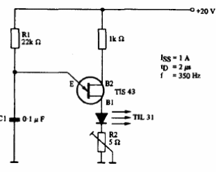
El circuito seleccionado genera pulsos de muy corta duración en frecuencia determinada por R1 y C1. El transistor unijuntura puede ser el 2N2646 y en el trimpot se ajusta la intensidad y la duración del pulso. El circuito es del manual de optoelectrónica de Texas Instruments.




