Este circuito consiste en una variación de un control de 4 entradas, con la diferencia de que sólo tenemos dos entradas usadas. Así, las bobinas se energizan con la siguiente secuencia de comandos de entrada que pueden venir directamente del puerto paralelo de un PC o de lógica digital TTL o CMOS:
Bobina 1 - 00
Bobina 2 - 01
Bobina 3 - 10
Bobina 4 - 11
En este caso, la corriente máxima que el circuito integrado ULN2003 puede suministrar es de 500 mA por bobina. Vea que aquí tenemos una fuente de alimentación doble que debe tener 5 V para la lógica interna y 12 V para la alimentación del motor. Es importante observar que la tierra del CI en el pin 8 debe ser común al PC o circuito de accionamiento digital y también al circuito de 12 V y 5 V.
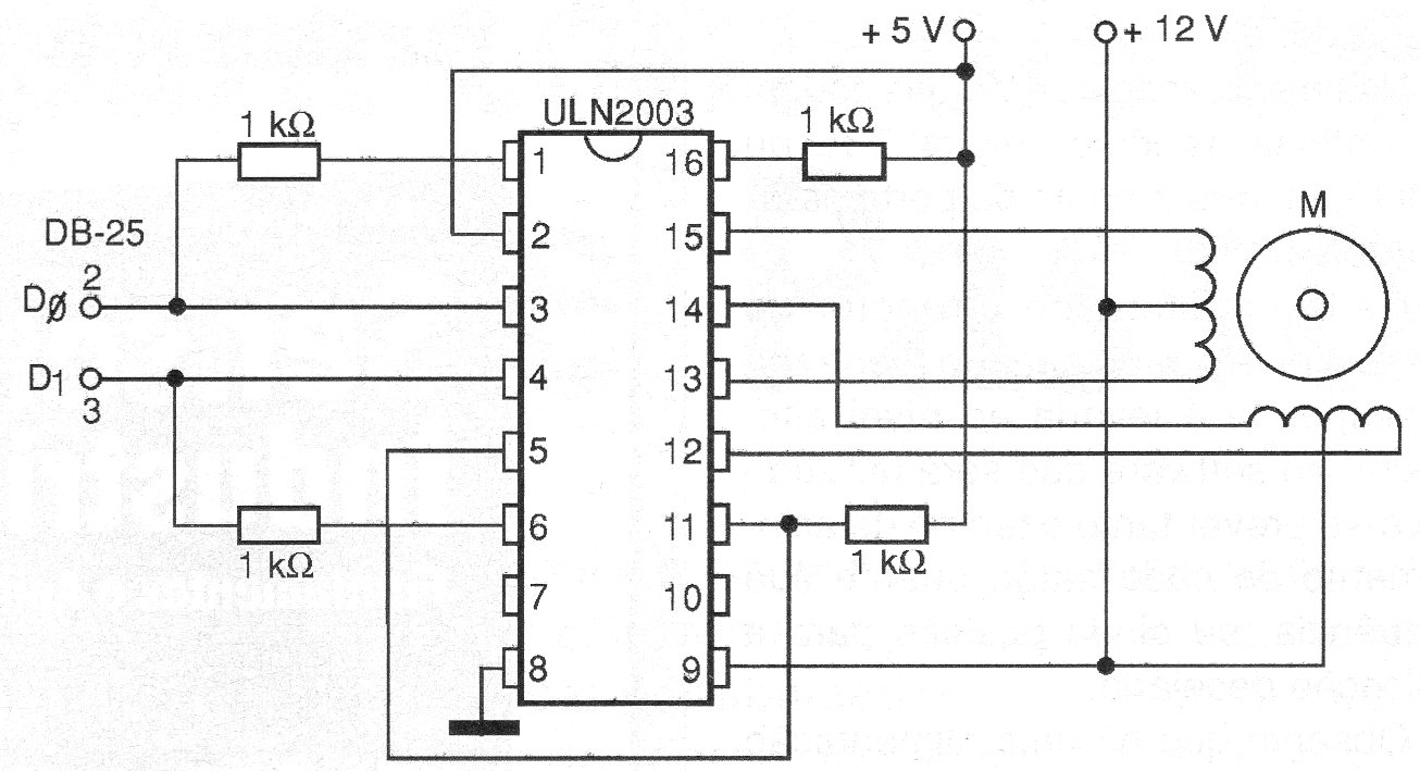
Comando de dos entradas para motor de paso (CIR4842S )
Este circuito consiste en una variación de un control de 4 entradas, con la diferencia de que sólo tenemos dos entradas usadas. Así, las bobinas se energizan con la siguiente secuencia de comandos de entrada que pueden venir directamente del puerto paralelo de un PC o de lógica digital TTL o CMOS:
Bobina 1 - 00
Bobina 2 - 01
Bobina 3 - 10
Bobina 4 - 11
En este caso, la corriente máxima que el circuito integrado ULN2003 puede suministrar es de 500 mA por bobina. Vea que aquí tenemos una fuente de alimentación doble que debe tener 5 V para la lógica interna y 12 V para la alimentación del motor. Es importante observar que la tierra del CI en el pin 8 debe ser común al PC o circuito de accionamiento digital y también al circuito de 12 V y 5 V.




