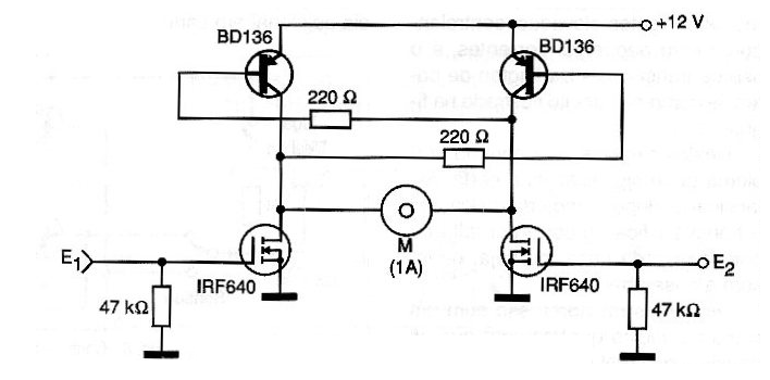
Este Shield mixto puede controlar motores hasta 1 A y con el cambio del BD136 hasta más. Los transistores deben estar dotados de radiadores de calor y el control debe ser hecho por las salidas de 5 V del Arduino, ya que los MOSFETs pueden tener dificultad de conmutación con tensiones más bajas. En algunos casos se puede incluso utilizar un Shield intermedio de disparo para elevar la tensión en los MOSFET y así obtener mejor conmutación.




