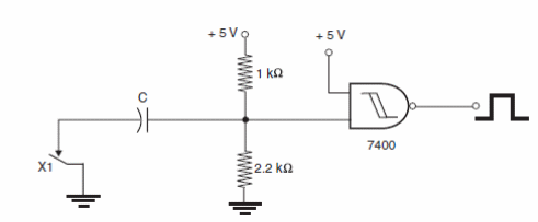
Este circuito está indicado para aplicaciones con tecnología TTL como en shields, eliminando el repique de interruptores y sensores. El circuito produce un pulso único de salida, cuya duración depende de C. La configuración fue obtenida en el libro Robotics, Mechatronics y Artificial Intelligence de Newton C. Braga.




