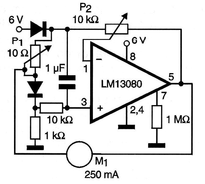
El circuito suministrado permite el control directo de un pequeño motor de corriente continua de hasta 250 mA. El componente básico empleado es un amplificador operacional de potencia que, en este caso, se alimenta con una fuente simple de 6 V. El control se realiza en los dos potenciómetros, siendo que P1 determina la referencia de velocidad. El diodo es de uso general y los demás componentes no son críticos.




