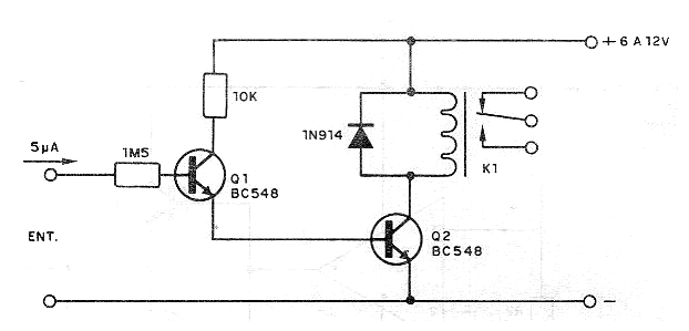
Las placas de Arduino tienen una capacidad limitada de corriente. Si bien cada salida puede proporcionar una buena corriente, si accionamos muchos relés o cargas, en el conjunto la fuente usada puede sufrir e incluso haber problemas de calentamiento del microcontrolador. Otro problema está en el hecho de no disponer de un relé de 5 V o 3,3 V y deseamos usar un relé de mayor tensión. Una posibilidad para ahorrar energía del microcontrolador consiste en utilizar Shields separados para relés que pueden tener alimentaciones separadas hasta 12 V. Este circuito muestra cómo es posible. Con este circuito es posible accionar relés de 20 mA a 100 mA de corriente de bobina con tensiones de 6 a 12 V, aplicando una corriente de entrada de sólo 5 uA. El circuito puede también accionar cargas mayores con el cambio de Q2 por un BD135 caso en que la corriente máxima puede llegar a 500 mA con el accionamiento de solenoides y motores directamente. El circuito puede ser alimentado por tensiones de 6 a 12 V conforme a la carga alimentada. Finalmente, el resistor de 1M5 debe ser reducido si se constata una ganancia insuficiente del circuito.




