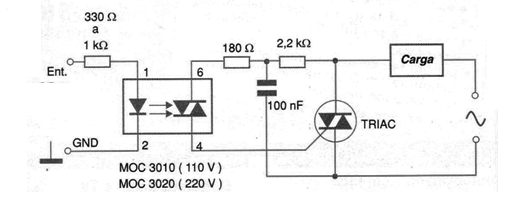
Para cargas inductivas tenemos la configuración mostrada en la figura. Observe que el acoplador óptico (aislador óptico) proporciona un aislamiento de 7 000 volts, lo que garantiza una seguridad total para el dispositivo de control, en el caso del ordenador. El triac debe estar dotado de un buen radiador de calor.




