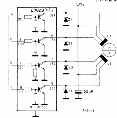
El circuito integrado utilizado consiste en un "array" de transistores Darlington para corrientes hasta 3 A. En la figura tenemos el modo de controlar un motor de paso de 4 fases. El circuito es del manual de circuitos integrados lineales de la SGS de 1982. Podemos usar este circuito como shield para microcontroladores.




