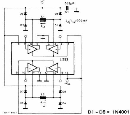
Encontramos este circuito en el manual de circuitos integrados lineales de la SGS de 1982. Se trata de un control para motores bipolares con las entradas de control en los pinos 2, 7, 10 y 15. Podemos usar el circuito como shield para microcontroladores.




