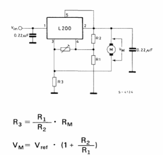
Encontramos este circuito en el manual de circuitos integrados de la SGS de 1982. El circuito integrado no es muy común actualmente. Junto al circuito tenemos las fórmulas que posibilitan el cálculo de los componentes usados.

Encontramos este circuito en el manual de circuitos integrados de la SGS de 1982. El circuito integrado no es muy común actualmente. Junto al circuito tenemos las fórmulas que posibilitan el cálculo de los componentes usados.
