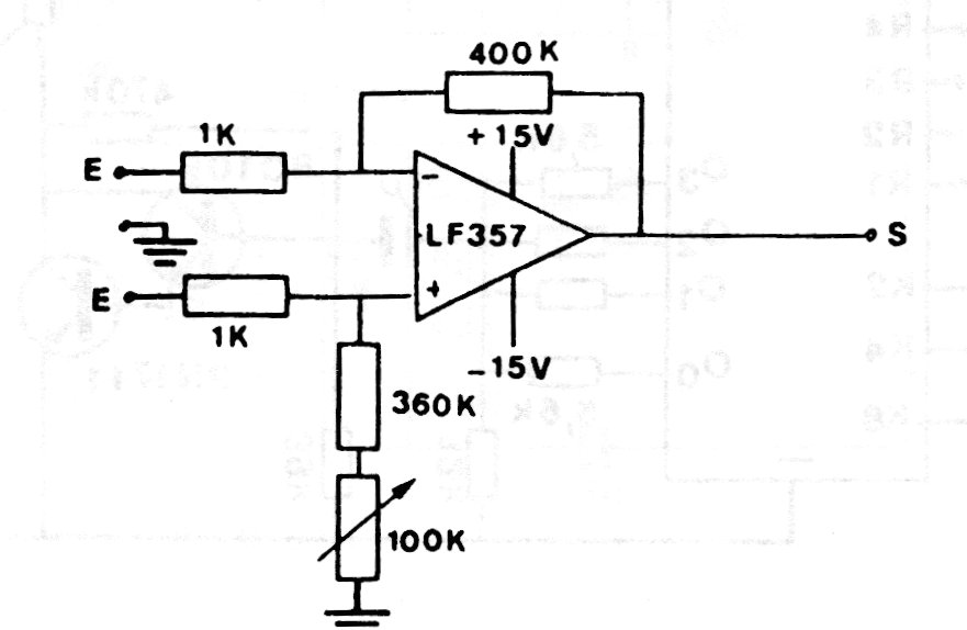
Este circuito debe ser alimentado por fuente simétrica y dependiendo del circuito integrado la alimentación puede quedar entre 3 y 15 V. La ganancia es dada por el resistor de 400 k (470k) y simetría de la señal ajustada en el trimpot de 100 k. La ganancia es de 52 dB.




