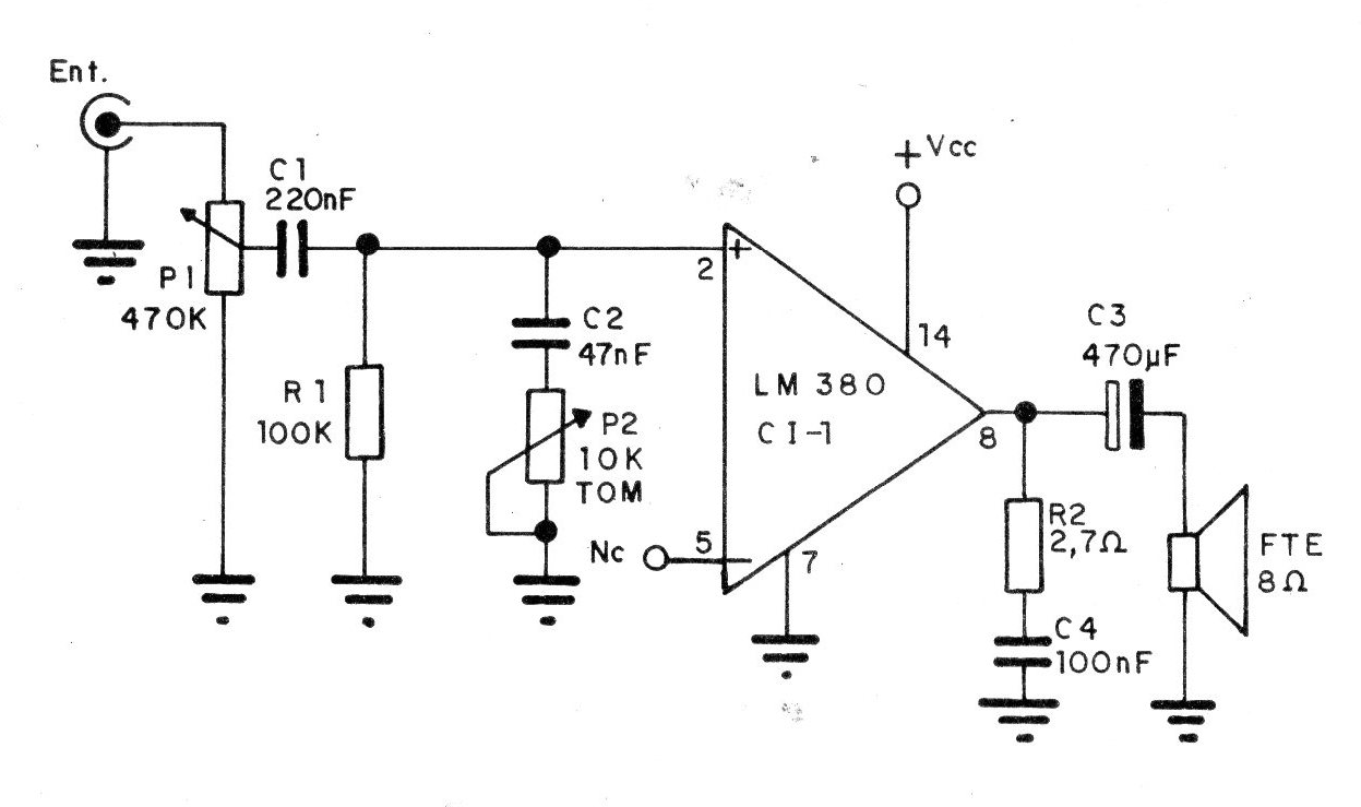
Dependiendo de la tensión de alimentación, que puede quedar entre 9 y 22 V y la impedancia de la carga que puede tener de 4 a 16 ohms, este circuito puede proporcionar potencias de 1 a 3,5 W con excelente calidad de sonido. El circuito integrado utilizado no es muy común actualmente.




