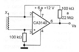
En la figura mostramos una configuración bastante usada para el CA3140. La alimentación de este circuito puede oscilar entre 6 y 12 V. Este circuito es ideal para operar con transductores de impedancias en el rango de algunos ohmios hasta 1 000 ohmios como micrófonos, sensores de pulsos, etc. La ganancia es dada por el resistor de realimentación, pudiendo ser alterado conforme la intensidad de la señal suministrada por el transductor.




