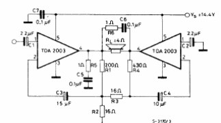
Este amplificador en puente (BTL) es del manual de circuitos integrados lineales de la SGS. El circuito está indicado para uso en coche y los circuitos integrados deben estar dotados de radiadores de calor. La sugerencia de placa de circuito impreso se da junto al diagrama.





