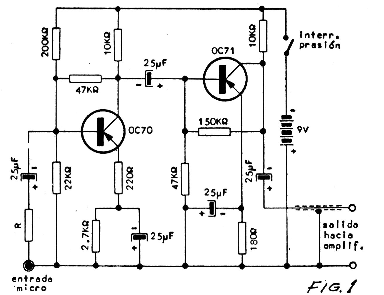
Este circuito fue obtenido en una publicación argentina de 1973. La versión original utiliza transistores de germanio que ya no son comunes actualmente. La resistencia R depende del tipo de micrófono. Para los micrófonos de cristal su valor es 47k; para micrófonos cerámicos de 100k y para micrófonos dinámicos, el valor depende de Z estando entre 2k y 10k.




