Amplificador de 140 W para el coche (CIR2689S)
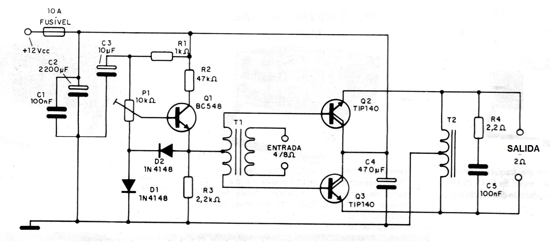
En realidad, este circuito encontrado en una documentación de 1992 no posee toda esta potencia. Se trata de un circuito reforzador en el que los transistores de salida deben estar dotados de disipadores de calor. T1 es un transformador con un primario de 110/220 V y secundario de 6 + 6 a 12 + 12 V con 200 mA. T2 consiste en 48 + 48 espiras de hilo 20 en un bastón de ferrita.




