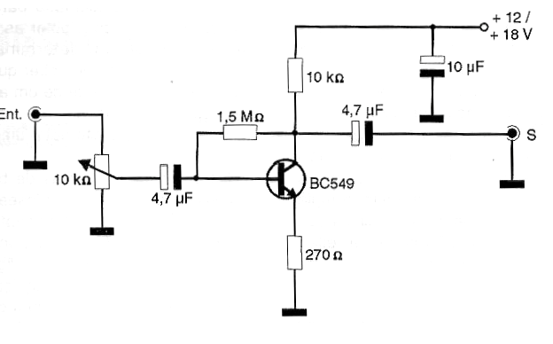
Este paso amplificador de audio de bajo nivel de ruido utiliza sólo un transistor y tiene una ganancia suficientemente alta para operar con fuentes de señal de baja intensidad. La ganancia es dada básicamente por el resistor de 1,5 M ohms que debe ser alterado en función de las características de la fuente de señal. La alimentación se puede hacer con tensiones de 12 a 18 voltios y el potenciómetro actúa como un control de ganancia.




