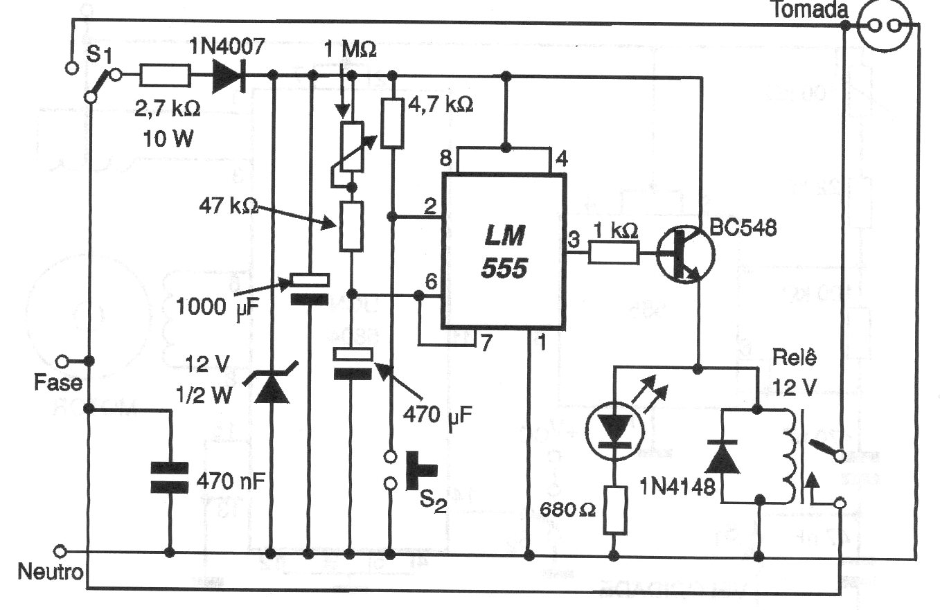
Este circuito acciona de modo intermitente un ventilador a intervalos ajustables entre 1 y 10 minutos. El circuito utiliza un relé, así que no hay problema en cuanto al tipo de motor que el ventilador usa y otros aparatos, como los calentadores pueden ser controlados. La corriente, por supuesto, debe estar dentro de la capacidad de los contactos del relé.




