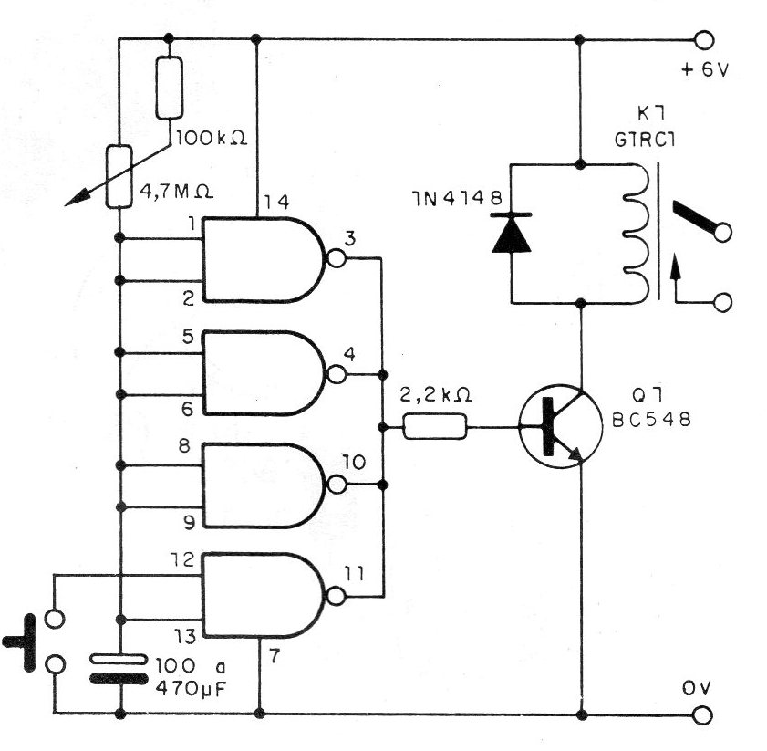
Longas temporizaciones, llegando a 1 hora si se utiliza un capacitor de 1 500 uF, se pueden obtener con este circuito. La alimentación depende del relé, que puede ser también de 12 V con un tipo equivalente al indicado en la figura que ya no se fabrica.




