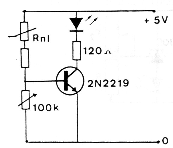
Este simple circuito controla el brillo de un LED a partir de LDRs, NTCs, PTCs u otros sensores resistivos. El potenciómetro de ajuste P1 puede tener valores entre 10k y 100k según la resistencia nominal del sensor, y el transistor puede ser el BC548. El resistor en serie con el LED determina su brillo. La tensión puede oscilar entre 6 y 12 V.




