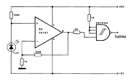
El circuito integrado SN72741 no es más que la versión de Texas Instruments del conocido 741. La alimentación de 5 V corresponde a lo exigido por la lógica TTL y como buffer tenemos el uso del 7413. La ganancia del circuito es dada por el resistor de 100k. La velocidad máxima de este circuito está alrededor de 100 kHz, pero se pueden probar amplificadores operativos más rápidos. El foto-diodo debe estar dotado de recursos ópticos de acuerdo con la aplicación. Observe la necesidad del uso de una fuente simétrica. El circuito se puede usar como shield de datos para microcontroladores.




