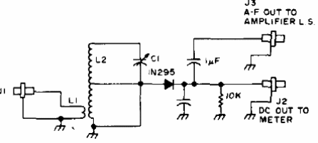
La bobina L2 tiene 64 vueltas de hilo 28 o más fino en forma de 1 cm sin núcleo y L1 10 espiras sobre L2. Este circuito se obtuvo en una documentación de 1974. Sus señales se deben aplicar a un buen amplificador o auricular de cristal. El capacitor variable es del tipo encontrado en radios AM comunes. La toma en la bobina es central.




