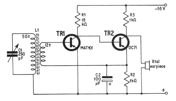
Este receptor es de una antigua revista inglesa de 1965. Los transistores usados son de germanio, no más comunes en nuestro mercado, pero adaptaciones se pueden hacer para funcionar con transistores actuales de silicio como los BC558. L1 consiste en 50 vueltas de hilo 28 en un bastón de ferrita y L2 en 12 vueltas del mismo hilo. El circuito tendrá más sensibilidad con transistores originales de germanio. El auricular es piezoeléctrico o de cristal. Una antena se puede conectar a la bobina.




