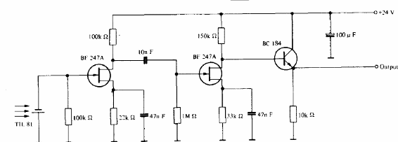
Encontramos este circuito en el manual de optoelectrónica de Texas Instruments. Los transistores de efecto de campo pueden ser los BF245 y el bipolar el BC548. El sensor es un foto-diodo en modo foto-generador.

Encontramos este circuito en el manual de optoelectrónica de Texas Instruments. Los transistores de efecto de campo pueden ser los BF245 y el bipolar el BC548. El sensor es un foto-diodo en modo foto-generador.
