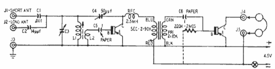
El CK722 fue el primer transistor comercial del mundo, lanzado por Raytheon en la década de 50. Este circuito es de un manual de aplicaciones de Raytheon de la época. Se pueden utilizar transistores equivalentes más modernos. El auricular es de alta impedancia y la bobina consta de 80 + 30 espiras de hilo 28 en un bastón de ferrita.




