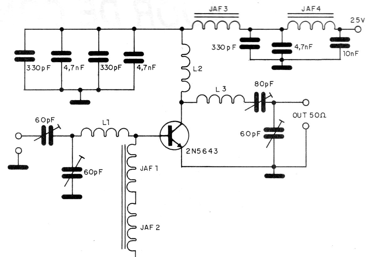
La finalidad de este circuito es aumentar la potencia de pequeños transmisores de FM con salidas del orden de pocos miliwatts para obtener mayor alcance. Las bobinas: L1 = 4 espiras, L2 = 5 espiras, L4 = 3 espiras todas con hilo 18 en forma de 1 cm. El transistor debe estar dotado de un disipador de calor.




