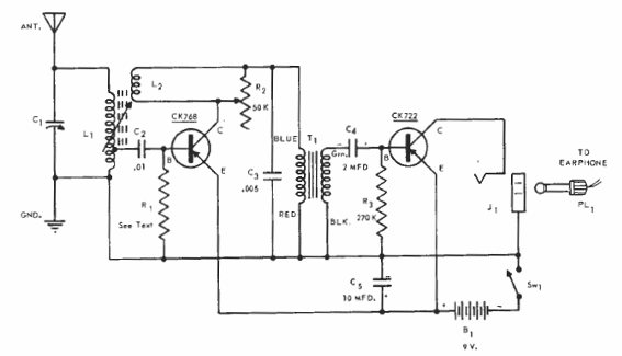
Esta radio de ondas medias con transistores de germanio es de una publicación de Raytheon de 1957. Los transistores equivalentes modernos pueden ser experimentados y el auricular debe ser de alta impedancia. L1 tiene 30 + 70 espiras de hilo 28 y L2 10 espiras del mismo hilo en el mismo palo. La antena debe ser larga.





