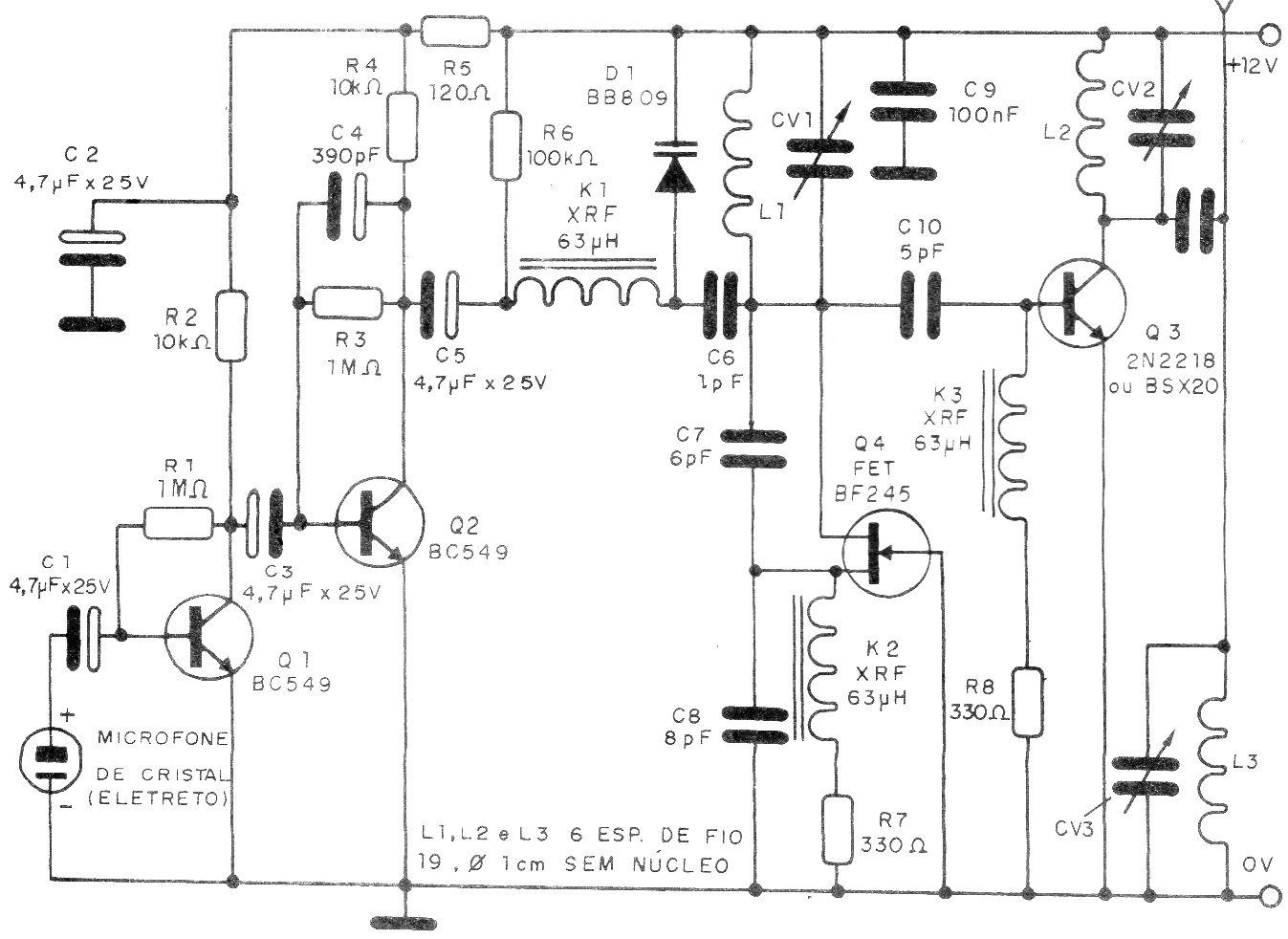
Dependiendo del transistor de salida utilizado este transmisor puede suministrar potencias de 1 a 3 W. El circuito debe ser alimentado con fuente con excelente filtrado o batería. L1 y L2 consisten en 6 espiras de hilo 19 en forma de 1 cm. Los condensadores más pequeños deben ser cerámicos de buena calidad.




