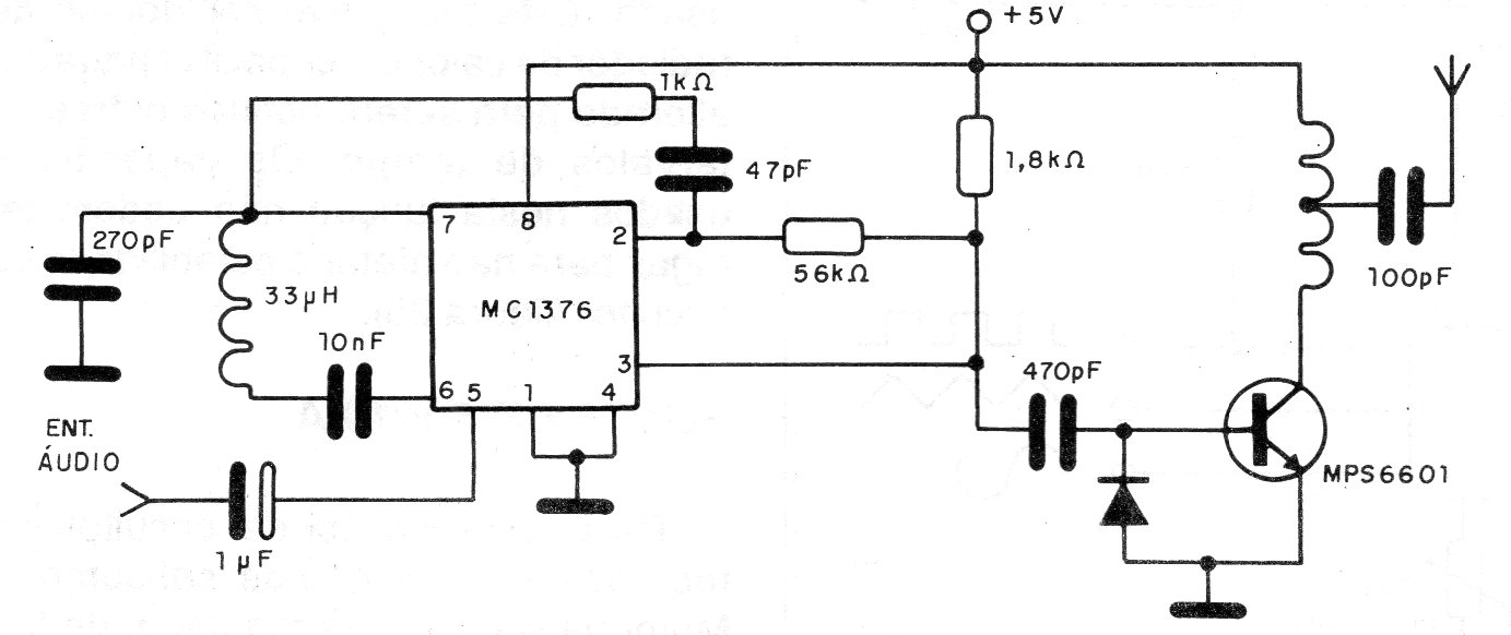
Este circuito de 1992 opera en el rango de teléfonos inalámbricos utilizado en la época. El circuito se basa en un circuito integrado poco común actualmente; La bobina transmisora tiene 30 + 30 espiras de hilo 28 en un bastón de ferrita. El circuito utiliza señales de audio de la línea telefónica.




