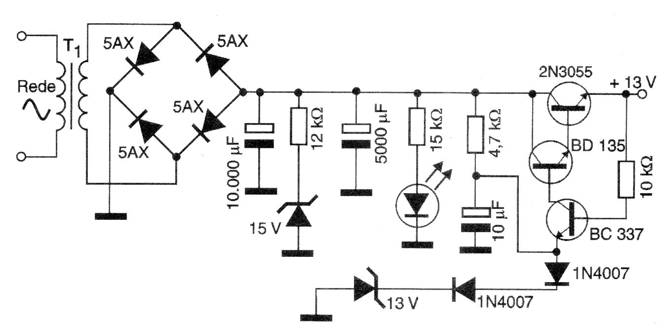
Esta fuente estabilizada de 12 o 13,8 V está indicada para transmisores de FM experimentales que requieren estabilidad de alimentación. El 2N3055 debe estar dotado de un excelente disipador de calor y el BD debe montarse en un menor. El circuito es de una documentación de 2005 y el transformador tiene secundario de 12 V x 5 A.




