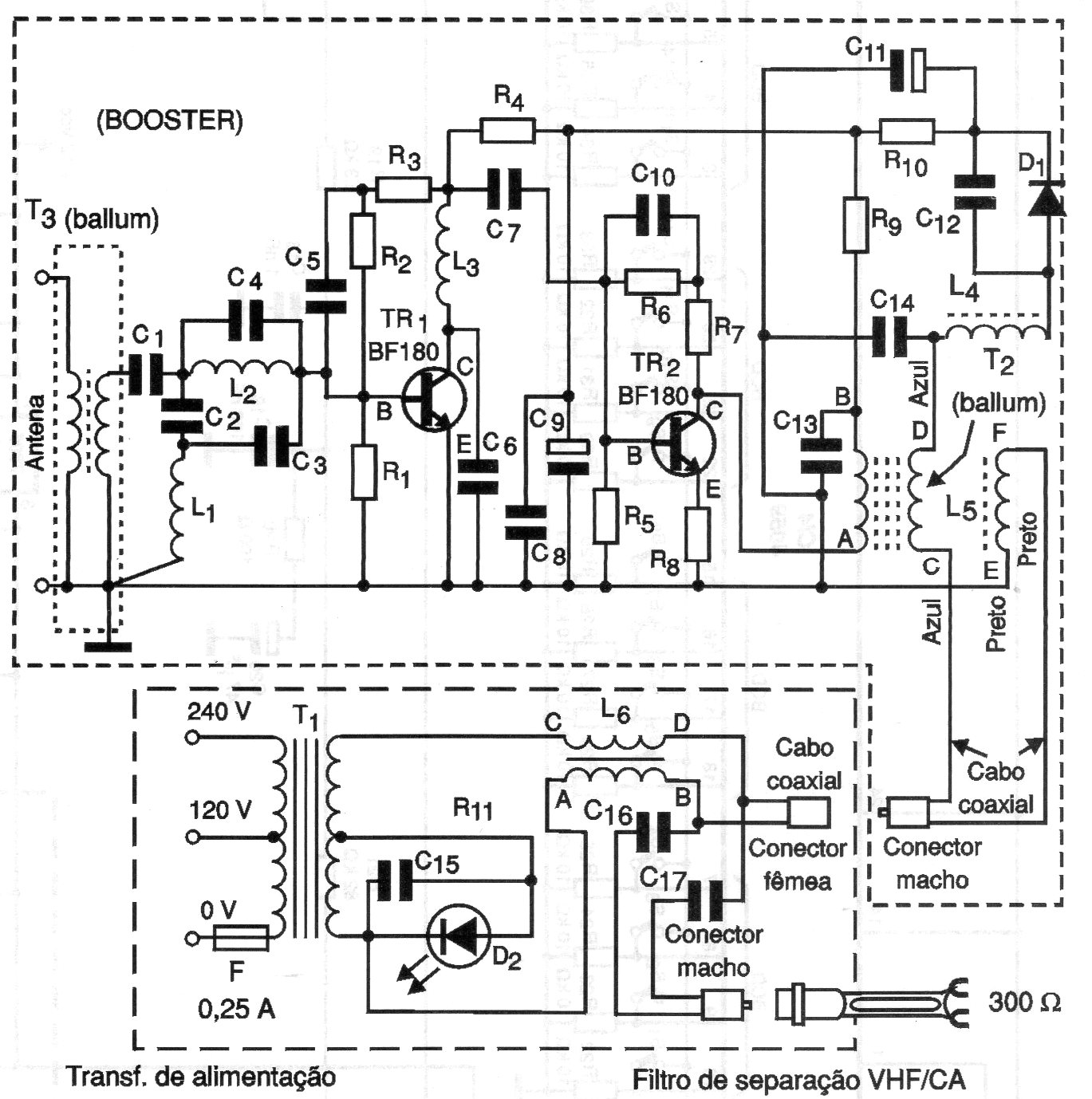
Este circuito es de una publicación de 2001. Los transformadores tipo balun son del tipo comercial para TV y las bobinas consta de 10 espiras de hilo 28 en bastón de ferrita. El circuito tiene una fuente que alimenta el circuito por el propio cable, ya que debe quedar junto a la antena.




