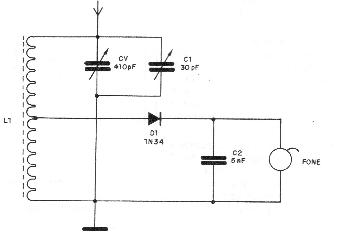
Este receptor de ondas medias tiene una configuración elemental como una radio de galena. La bobina consiste en 100 espiras de hilo 28 en forma de 2 a 2,5 cm sin núcleo con toma en la 30ª espira. La antena debe ser larga y la conexión es la tierra es importante. La variable es común de radio de onda media. El auricular debe ser de cristal o piezoeléctrico.




