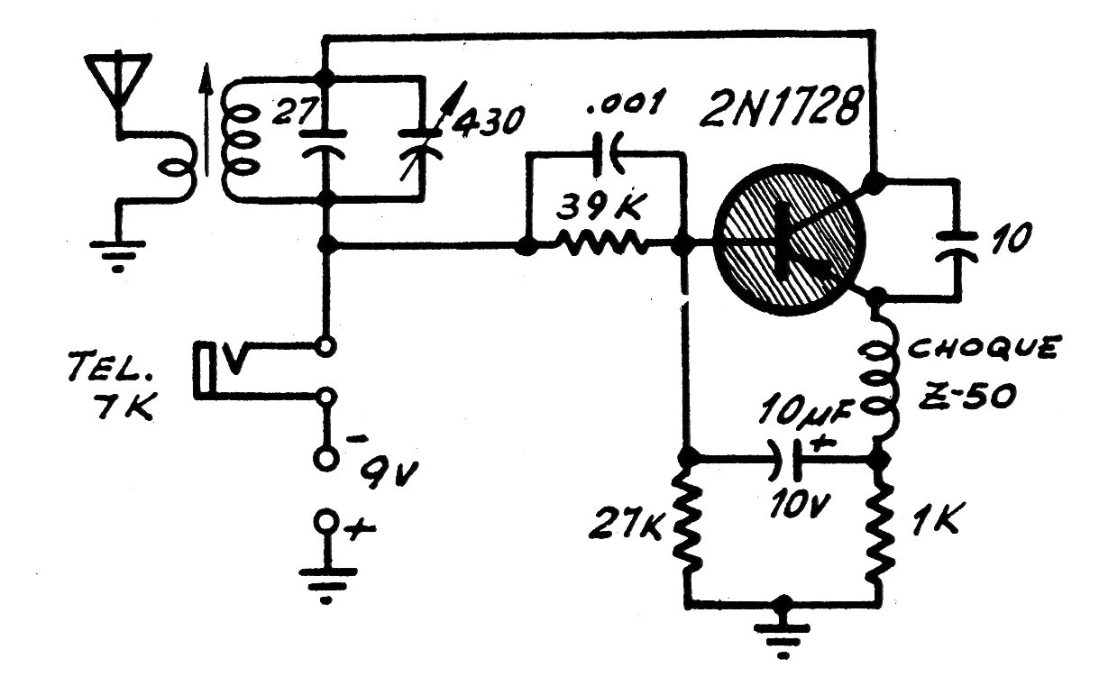
Este simple receptor de una revista antigua de la década de 1970, utiliza un auricular de alta impedancia en serie con la alimentación. La antena debe tener de 2 a 5 metros de longitud y el transistor puede ser el BC558. Con la inversión de la alimentación se puede utilizar el BF494. El enrollamiento de la bobina conectado a la variable consiste en 8 espiras de hilo 26 o 28 en una forma de 1 cm sin núcleo y el devanado de antena en 3 espiras del mismo hilo al lado de la otra bobina. El choque puede ser de 47 mH o bien 100 espiras de hilo 32 en un resistor de 100k x 1 / 2W. El capacitor de 10 pF en paralelo con el transistor debe ser cerámico. La variable se obtiene de una radio antigua de ondas medias.




