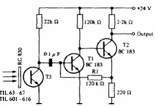
Los transistores del circuito presentado pueden ser los BC548 y el filtro delante del foto-transistor es del tipo infrarrojo. El circuito es del manual de optoelectrónica de Texas Instruments.

Los transistores del circuito presentado pueden ser los BC548 y el filtro delante del foto-transistor es del tipo infrarrojo. El circuito es del manual de optoelectrónica de Texas Instruments.
