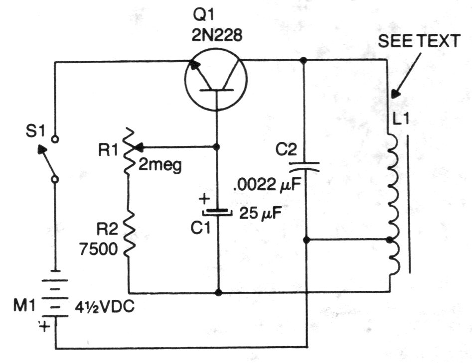
Los pulsos de intervalos emitidos por este circuito se captan en una radio de ondas medias cercanas. El circuito es de una publicación de 1981, pero puede ser montado con un BC548. La bobina consta de 30 + 70 espiras de hilo 28 en un bastón de ferrita. Se puede conectar una antena al colector del transistor para mayor alcance. La alimentación se puede realizar con tensiones de 4,5 a 6 V.




