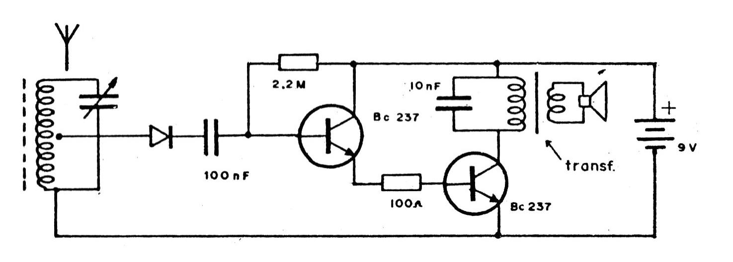
Esta radio simple de onda media tiene la escucha en un pequeño altavoz. Los transistores pueden ser los BC548 y la bobina tiene 20 + 60 espiras de hilo 28 o 26 en un bastón de ferrita. Una conexión a tierra en la alimentación mejora el rendimiento del circuito.




