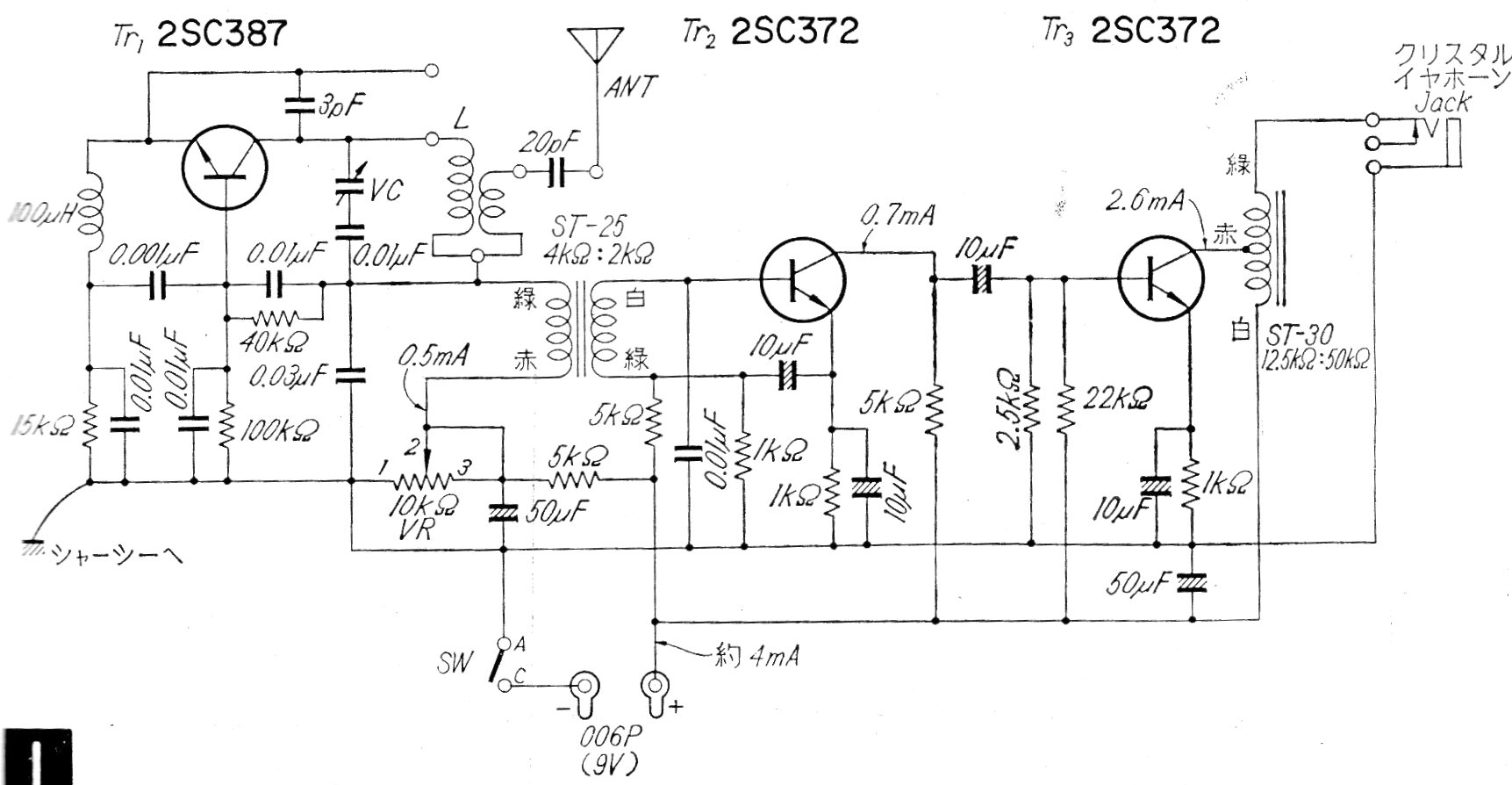
Este receptor de VHF fue encontrado en una publicación japonesa de los años 60. Los transistores originales pueden ser cambiados por equivalentes modernos como el BF497 para el 2SC387. Las bobinas tienen de 2 a 8 espiras de hilo 26 a 28 en forma de 1 cm sin núcleo. Varias bobinas se deben utilizar para la cobertura total de la banda.




