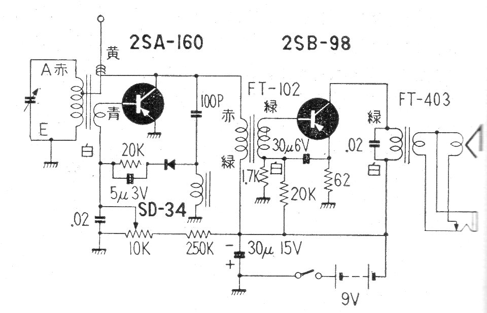
Este pequeño receptor para la banda de ondas medias fue encontrado en una documentación japonesa de 1961. La radio es para escuchar en auriculares también y es alimentada por una batería de 9 V. La bobina tiene de 80 a 100 vueltas de cable 32 en un pequeño bastón ablandado de ferrita con toma en la 20ª espira. Para L2 enrolle 20 espiras sobre L1.




