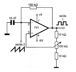
El circuito indicado genera frecuencias en una banda que va de aproximadamente 500 Hz a más de 5 kHz según la tolerancia de los componentes usados. El capacitor de 10 nF, que puede ser cambiado según la aplicación, determina el rango de frecuencias que es ajustado por el potenciómetro. La fuente de alimentación del circuito debe ser simétrica y los amplificadores operacionales equivalentes pueden ser experimentados según la aplicación.




