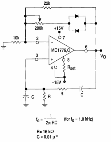
El circuito integrado utilizado en este proyecto no es común actualmente, pero se puede implementar con equivalentes más modernos. El circuito requiere una fuente simétrica, que se ha encontrado en el Handbook Linear Interfaz IC de Motorola de 1993.

El circuito integrado utilizado en este proyecto no es común actualmente, pero se puede implementar con equivalentes más modernos. El circuito requiere una fuente simétrica, que se ha encontrado en el Handbook Linear Interfaz IC de Motorola de 1993.
