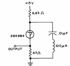
Este circuito utiliza una llave unilateral de silicio (SUS). El condensador determina la frecuencia, en la configuración de relajación sugerida por GE en su manual de semiconductores de 1977.

Este circuito utiliza una llave unilateral de silicio (SUS). El condensador determina la frecuencia, en la configuración de relajación sugerida por GE en su manual de semiconductores de 1977.
