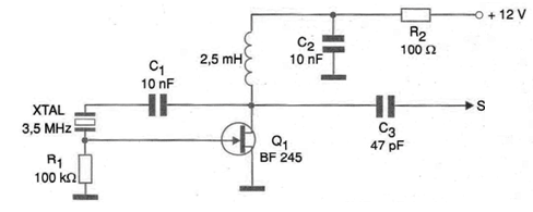
En la figura mostramos una configuración para un oscilador de sobretom controlado por cristal usando un transistor de efecto de campo de unión. La frecuencia de este oscilador, que depende del cristal, puede ser entre 100 kHz y 10 MHz típicamente. Los capacitores deben ser cerámicos y el transistor de efecto de campo admite equivalente como el MPF102.




