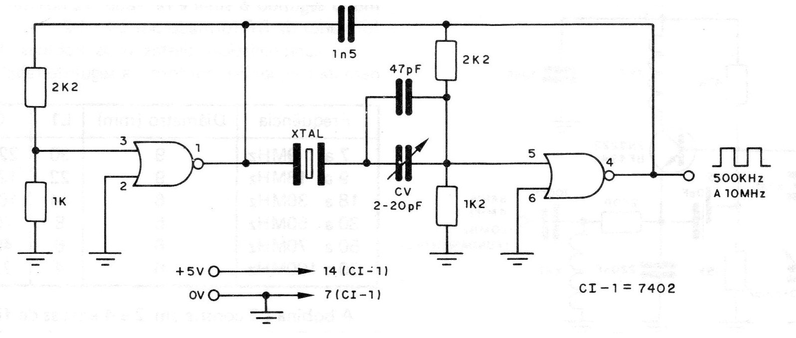
Este circuito difiere de los anteriores por utilizar el 7402, que consiste en 4 puertos NOR de dos entradas. El cristal utilizado también es para la frecuencia fundamental y puede tener frecuencias en los límites indicados de 500 kHz a 10 MHz. El trimmer CV sirve para ajustar el punto de funcionamiento y la salida obtenida es de una señal rectangular. Este oscilador también se puede utilizar para excitar circuitos TT L, como contadores, frecuencímetros, etc. La alimentación debe realizarse con una tensión de 5 V.




