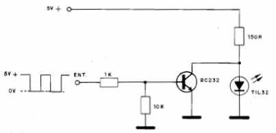
Con el circuito mostrado es posible modular un LED para transmisión de datos a partir de una salida de microcontrolador o circuito TTL. El transistor se puede sustituir por equivalente como el BC548 o incluso el 2N2222. La alimentación se realiza por 5 V y el LED es del tipo infrarrojo. El circuito se puede utilizar en un enlace de corto alcance o para transmisión vía fibra óptica o emisión directa. Vea los sensores en los circuitos anteriores.




