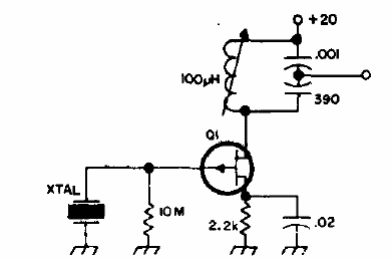
Encontramos este oscilador en una documentación de los años 70. El FET puede ser el MPF102 y el cristal es de 1 MHz. El circuito puede usar cristales para otras frecuencias. La salida es de baja intensidad pero puede excitar etapas de potencia en la elaboración de un transmisor el otro tipo de aplicación.




