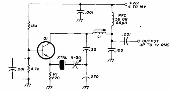
Encontramos este oscilador que opera en el tercer sobretom en una documentación para radioaficionados de 1975. El transistor puede ser el 2N2222o BF494 y la bobina tiene una inductancia de 0,5 uH a 1 uH según la frecuencia. El ajuste del punto de oscilación se realiza en el trimmer. La señal de salida es de baja intensidad.




