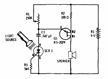
En este circuito un SCR sensible a la luz o Light Activated SCR determina el funcionamiento de un oscilador con transistores unijunción. El unijunción puede ser el 2N2646. El circuito es de una antigua documentación de Radio Shack. LASCR no es un componente común actualmente.




