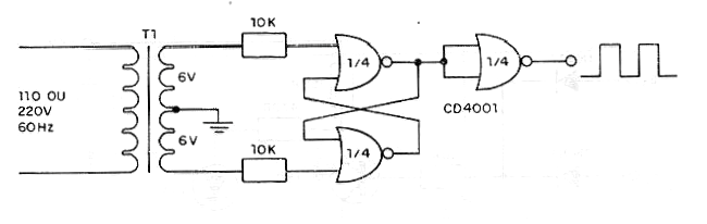
Este circuito genera una señal precisa de 60 Hz a partir de la red de energía, pudiendo servir como reloj para relojes, cronómetros y temporizadores además de instrumentación basada en microcontroladores. El CD4001 debe ser alimentado por 3 o 5 V según el microcontrolador.




