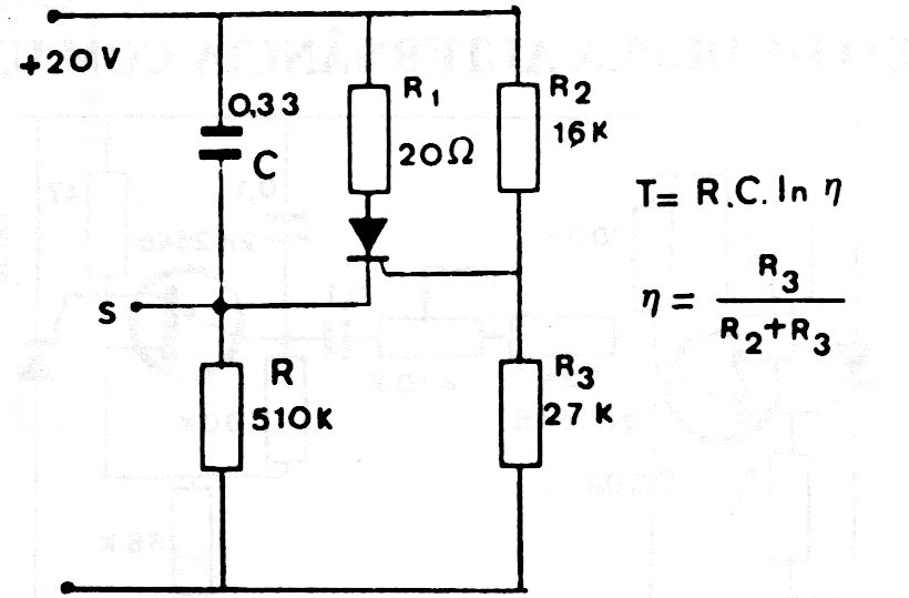
Este es el circuito básico de un oscilador de relajación con transistor programable unijuntura. Las fórmulas están junto al diagrama y la frecuencia máxima es de orden de algunos cientos de quilohertz.
Este circuito amplificador de corriente utiliza un amplificador operacional y tres transistores. La...
Este antiguo circuito de la década de 1970 utiliza transistores de germanio y es alimentado por batería...
Una configuración un poco diferente de la anterior, para un oscilador controlado por toque, se...