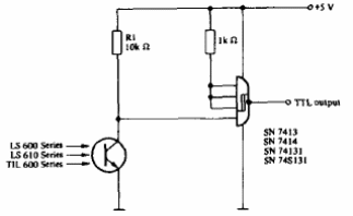
Este circuito de Texas Instruments utiliza un foto-transistor para disparar una puerta disparadora TTL. Se pueden utilizar otros foto-transistores y el circuito se puede utilizar como shield para microcontroladores.

Este circuito de Texas Instruments utiliza un foto-transistor para disparar una puerta disparadora TTL. Se pueden utilizar otros foto-transistores y el circuito se puede utilizar como shield para microcontroladores.
